8957.00 ₽
|
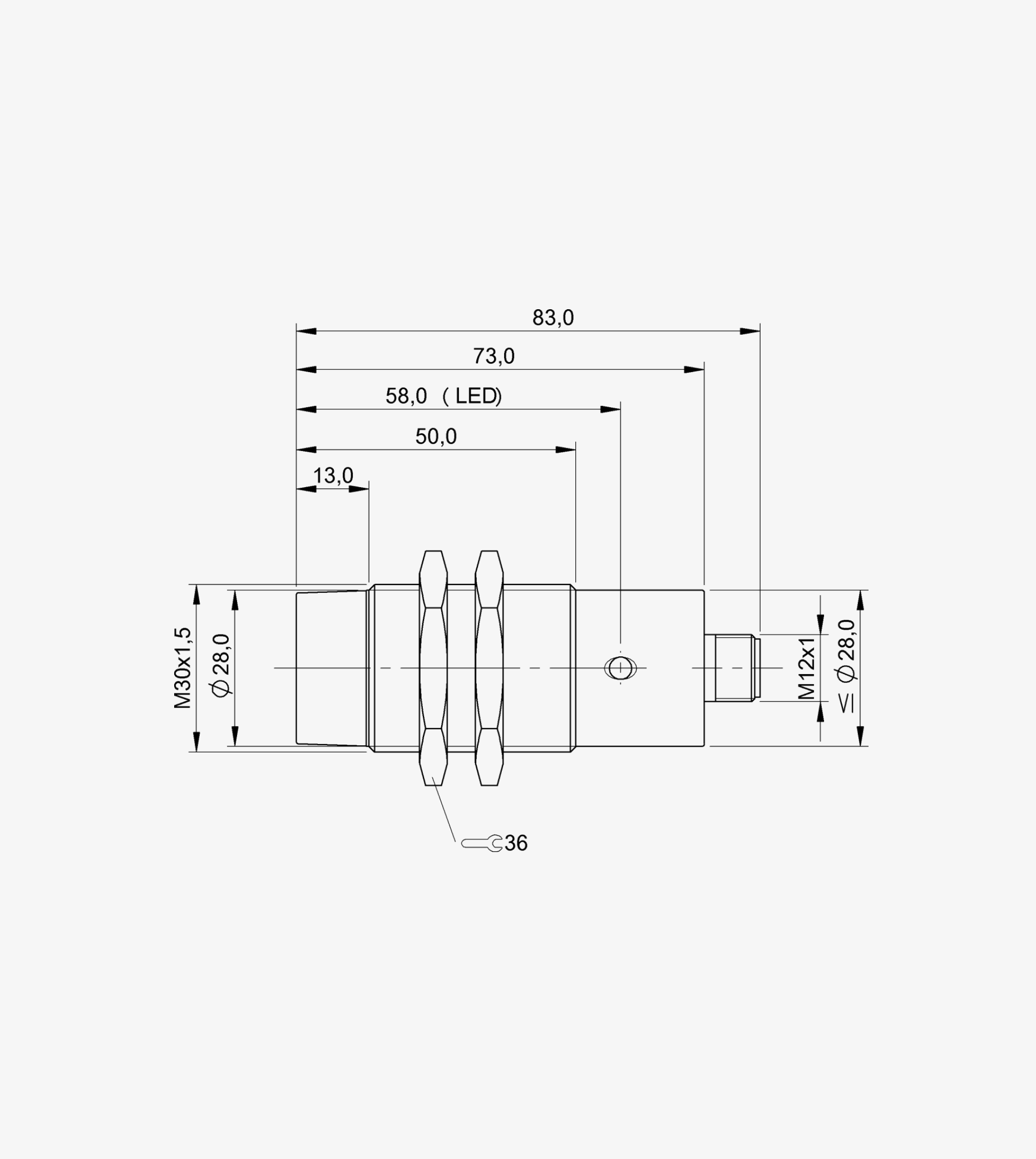
Габариты- М30 x 83 мм Стандартный корпус M30x1,5 Установка - заподлицо Диапазон - 15 мм Выход- PNP нормально разомкнутый/нормально замкнутый (NO/NC) Частота переключения - 100 Гц Материал корпуса - Латунь, никелированное покрытие Материал рабочей поверхности - PA 12 Подключение - Разъем, разъем M12x1, 4-контактный Рабочее напряжение U - 10...30 В постоянного тока Рабочая температура -25...70 °C Степень защиты IP - IP68 |
