11855.00 ₽
|
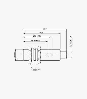
Габариты - М 18 x 70 мм Корпус типа - M18x1 Установка - заподлицо Диапазон - 8 мм Выход - нормально разомкнутый (NO) Частота коммутации - 30 Гц Материал корпуса - Латунь, никелированное покрытие Материал рабочей поверхности - PBT Подключение - Разъем 1/2 "-20 UNF-2A, 3-контактный Рабочее напряжение U - 20 ... 300 В постоянного тока/20...250 В переменного Рабочая температура - -25 ... 70 °C Степень защиты IP - IP67 |
